首页
企业专辑
前纺机械
纺纱机械
络并捻
织造准备
无梭织机
针织机械
印染机械
皮革制鞋
纺织仪器
工业机械
缝制设备
百度
谷歌
雅虎
必应
搜狗
搜搜
公司
产品
导购
样本
名片
视频
图片
新闻
技术
黄页
纺织机械器材专件关键字大全
企业专辑
|
江苏
浙江
上海
其他
国外
前纺机械
|
开清棉
梳棉机
精梳机
并条机
粗纱机
倍捻机
无梭织机
|
剑杆织机
喷气织机
喷水织机
商标机、织带机
络并捻机械
|
络筒机
摇纱机
并纱机
捻线机
织造准备机械
|
筒子架
整经机
浆纱机
卷纬机
印染机械
|
前处理设备
染色机
印花设备
后整理设备
针织机械
|
圆机
横机
经编机
袜机
纺纱机械
|
细纱机
转杯纺纱机
喷气纺纱机
摩擦纺纱机
紧密纺纱机
皮革制鞋
|
纺织仪器
|
缝制设备
|
纺织设备与配件
|
工业机械
|
纺织厂设备展示
|
您所在的位置:
纺机网
>
选型中心
>
络筒机
>正文
打印
字号
12
14
16
收藏
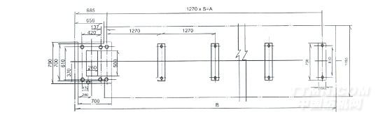
GA014MD型络筒机
江苏兴纺机械有限公司
2011年12月07日 来源:中国纺机网编辑部
公司名称:
江苏兴纺机械有限公司
[1]
[2]
[3]
下一页>>
相关信息
新杰纺织 实力源自科技
POLAR/I DLS细络联型络筒机——
青岛纺机:NOVA 倍捻机
JL168片纱络筒机
FBG423螺杆式针梳机
EJP438型自动络筒机
定制型各式精品络筒机
普通槽筒倒毛络筒机
电脑高速倒毛络筒机
TTS008 P型高速紧式络筒机(自主研
无梭织机
更多>>
JA11A玻纤喷气织机
JA11A玻纤喷气织机JA11A-GF型玻纤喷气
[详细]
JA11A上下双织轴喷气织机
JA11A上下双织轴喷气织机我司新研发的JA11
[详细]
JA11A玻纤喷气织机
JA11A小纬密特种喷气织
JA11A上下双织轴喷气织
JA11A360CM高速喷
JA11A340CM高速喷
JA11A280CM高速喷
JA11A230CM高速喷
JA11A210CM高速喷
JA11A190CM高速喷
JA11A150CM高速喷
JA91系列高速喷气织机
RL398C/G短纤倍捻机
HY728 喷水织机
HF-708型医用纱布喷气
HF-701型喷气织机
针织机械
更多>>
GE290-FJ-4/1型 贾卡压纱
GE290-FJ-4/1型 贾卡压纱板经编机产品
[详细]
XY-360s XY-480s型短袜
广州市星雅机械有限公司XY-360s XY-48
[详细]
GE290-FJ-4/1型
XY-360s XY-48
XY180s XY-240
XY180型袜子自动定型机
双系统电脑横机JY522-
60寸三系统电脑横机JY6
100寸四系统电脑横机JY
HS-V型电脑提花手套机
HS-500型电脑带跟五趾
HS-400型系列电脑手套
HS-308型系列电脑手套
HS-305MQ型(毛圈)
HS-305系列手套机
XYT-2011电脑数控高
全电脑移圈机JH-2012
精品企业
·
喷气织机旗舰产品:人性化理念设计SPR700
·
高速并条机——并条机里面的战斗机
·
锦峰棉精梳机:神奇般的梳理效果
·
环球纺机 智领未来
·
温度测量系列——测控专家 源自朝辉
·
润源经编机—国内经编机械制造的领头人
·
APT专业制造纺织机械专用按钮、指示灯
·
光洋电子DL-06系列整体式PLC
·
LHM1321型磁棒圆网印花机:印花机的代表品牌
·
青岛云龙并条机梳棉机:并人间品质 梳天下纤维
推荐产品
TZ315型大卷装倍捻机
剑杆筘 片梭筘
防尘罩双头激光切割机
高支羊绒搓毛胶板
独立传动圆网印花机
上轴承座、中心管结合件
PT124系列高温熔体压力传感器
织物破裂试验机
五罗拉花式捻线机
固定盖板和预分梳板系统
大卷装络筒机
独立传动圆网印花机
仨名耐腐蚀强力色浆泵
CH318型圆网印花机
推荐企业
帝人服装循环再生系统植入中国
·
喷气织机旗舰产品:人性化理念设计SPR700
·
中国恒天:全球纺织业的朋友,中国制造业的骄傲
·
丝普兰喷气织机—科技之美 表里如一
·
锦峰梳棉——做梳棉机的主流厂商
·
国安电子——成功从这里起步
·
上海朝辉——成就朝辉人梦想 做世界一流品牌
·
宝花从这里走向世界
·
润源经编——经编未来 无限可能
·
APT亮相环渤海经济圈(西门子)
·
光洋电子——编码器制造专家
精品推荐
·
黄石纺机:优秀的印染成套设备制造商
·
青岛云龙——云卷云舒 龙行天下
·
金蟀织机:促织 为您编织绚丽多彩世界
·
二橡胶:发展品牌战略 必须是更好的
·
无锡中氏——国内著名的粗砂锭翼专业生产商
·
汇德纺机——汇织天下 德造纺机
·
金运品质 凝聚经典
·
骏达机械——专业的汽蒸机制造商
·
青岛丰衣——诚信、敬业、创新、自省
·
宇丰化纤以质量求生命,以创新求发展
关于纺织机械
|
网络推广
|
栏目导航
|
客户案例
|
影视服务
|
纺机E周刊
|
广告之窗
|
网站地图
|
友情链接
|
本站声明
|