产品信息
厦门科昊最新推出的KH191卫生型压力变送器采用国际进口高精度、高稳定性敏感组件,经过美国ASIC放大电路及精密的温度补偿,将被测介质的绝压或表压转换成4~20mA或0~5V标准信号,高质量的传感器、精湛的封装技术以及完善的装配工艺确保产品的高稳定性。方便与仪表及工业计算机或集散系统接口,实现生产过程的自动测量和控制。广泛应用于食品饮料、制药业、造纸业等领域。

特 点:
◆ 隔离型设计
◆ 全焊接结构及不锈钢隔离膜片
◆ 防雷击、防射频干扰
◆ 反向极性保护及限流保护
◆ 体积小、外形美观、性价比高
◆ 高精度、高稳定性、高可靠性
输出信号:
输出信号: 4~20mA(二线) 1~5V(三线)
工作电压: 12~36VDC 12~36VDC
精 度: 0.25% 0.50%
技术参数:
★ 典型应用: 食品饮料、制药业、造纸业
★ 产品特点: 卫生、易清洗
★ 测量介质: 与316不锈钢兼容的各种气体、液体
★ 量 程: 0~0.5bar到0~70bar
★ 过程连接: G3/4外螺纹,1.5英寸卡箍,可约定 (或客户定制)
★ 输出信号: 4~20mA、1~5V、0~5V
★ 引线方式: 电缆线(标准长度1m)、航空插头
★ 工作电压: 12~40V,标准24VDC±5%、纹波小于1%
★ 精 度: 0.25%F.S 、0.5%F.S
★ 工作温度: -20℃~+80℃
★ 介质温度: -25~85℃
★ 储存温度: -40~125℃
★ 相对湿度: 0%~100%
★ 负载电阻: 电流输出:≥800Ω,电压输出:50KΩ以上
★ 绝缘电阻: ≥2000Ω (1000VDC)
★ 温度影响: 最大量程±1.0% (补偿温度:-10℃~+70℃ )
★ 稳 定 性: 最大量程的0.25% /F.S
★ 过载压力: 2倍于满量程
★ 防护等级: IP65
★ 外壳材质: 304不锈钢
★ 重 量: 约0.35Kg
结构特性:
●膜片材料:316不锈钢
●接头材料:316不锈钢
●外壳材料:304不锈钢
●过程连接:1.5英寸卡箍
●电气连接:电缆线(标准长度1m)
●重 量:约0.3Kg
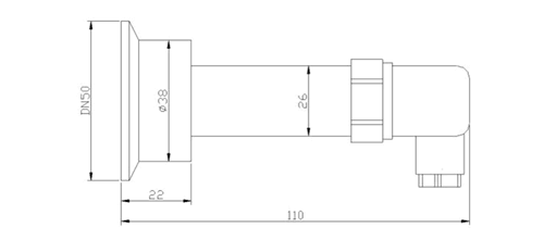
结构尺寸:
接线图:
[1][2]下一页>>