产品信息
厦门科昊最新推出的RS232/RS485/RS422串行通讯接口转换器主要应用于工业控制、智能仪器仪表、食堂售饭系统、考勤门禁系统、电力、交通、银行等应用RS-232、RS-485、RS-422现场总线通讯的场合。
性能特点:
1.半双工全双工通用,可选择RS485半双工或RS422全双工的工作方式。
2.高效率的窃电和实时储能技术,无须外接电源,即可保证远距离传输。
3.只需用到RS232串口的RXD(接收)、TXD(发送)、GND(地)三根信号线,无须其他信号线。
4.零延时自动转换RS485的信号收发方向。
5.内置抗雷击和ESD抗静电保护。
6.无须修改原有软件,即可使RS232的通讯距离延长1200米。
7.支持多机通讯,最多可连接32个节点。
8.若点对点成对连接,可作为RS232远程收发器使用。
技术参数:
1.电源:信号线高效窃电,不需外接电源
2.通讯方式:可选半双工/全双工差分传输
3.传输线:双绞线
4.通讯距离:1200米
5.通讯速率:110bps-115200bps
6.连接节点:32个
7.外形尺寸:DB9/DB9转接盒63×33×17,含接线转换头87×33×17
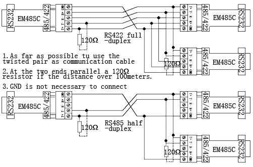
接线示意图:

[1][2]下一页>>