产品信息
德国Trinamic公司推出StallGuard失速探测器。该产品无需编码器即可实现无传感器失速探测功能,目前有TMC246和TMC249两种驱动器芯片可供选择。
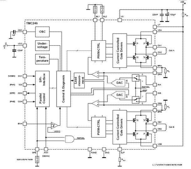
TMC246是一款双全桥驱动器IC,适用于双极步进电机控制。用户可选择105℃高温运行或每相1.5A的大电流工作类别的产品。该产品具有电流消耗低、效率高的特点,并提供了内部DAC,可实现微步进调节和智能控制功能,强化电机和驱动器的冷却。该器件还能通过串行接口(SPI)或模/数输入信号进行控制,并集成了短路、过热、欠压和过压保护功能。
TMC249则是高电流版本的TMC246。该产品能支持由外部MOSFET设置的高达75VDC/10A电流。该驱动芯片还适用于单极步进电机。在用于单极电机操作时只需4个外部PMOS晶体管。
TMC246和TMC249具有过载预测功能,适于要求高可靠性的应用领域。其所具备的无传感器失速探测功能适合于需要参考点却又不能使用开关元件的设备应用。
由于电机是个感性器件所以在电机的旋转过程中自然会产生反电动势,在电机遇到阻力的时候反电动势电压自然会增加,其产生的信号会被具有StallGuard功能的TMC246,TMC249芯片读出,StallGuard可以被编程控制以达到我们所希望的电机堵转力矩


上图为具有失速检测功能的驱动芯片TMC249,才用低功耗设计不需要散热装置,下图为使用TMC246和TMC428开发的单轴步进控制+驱动系统,支持RS232,485,CAN总线通讯还具有多路I/O,可以存储程序实现脱机控制


[1][2]下一页>>