您所在的位置:纺机网>选型中心>工控>正文
  • 打印
  • 字号
    • 12
    • 14
    • 16
  • 收藏

TMC223-集成2相步进电机控制驱动功能芯片问世

苏州钧信自动控制有限公司

2012年01月10日  来源:中国纺机网

产品信息

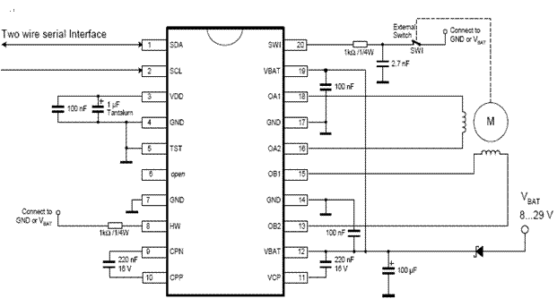
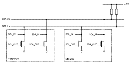
                                                                                        步进电机控制与驱动一体芯片TMC223原理与应用                                  在今日空间有限的环境中,设计人员急需功能丰富,体积精巧而整体效能强大的解决方案,TMC223在对步进电机的控制中集成了控制和驱动功能,减轻了软件的设计量,减少外围电路,从而达到降低成本的目的            通常情况下在设计单轴步进系统时要分别选择,设计控制部分,驱动部分和功率管这三个部分往往是独立的,需要对各个部分进行设计开发。而TRINAMIC公司开发的TMC223这款芯片集成了控制功能,驱动功能和驱动管,大大减少了开发时间和成本的同时也减小了产品的体积,增强了功能。   1.  功能 TMC223是一款集成了步进电机微步控制、驱动、RAM、OTP存储器以及该公司的专利技术StallGuard功能与一起的高性能芯片。RAM或OTP存储器用来存储电机参数和一些配置参数。TMC223自身带有最大16倍的细分,驱动电流可达0.8A,通过2根线的串行接口与微控制器通讯,只需要一个廉价的微控制器和TMC223就可以组成一个完整的单轴步进电机控制驱动系统。TMC223主要部分的性能如下: ●电机驱动方面 ◆驱动单个步进电机带有4位分辨率的微步细分,包括整步最大细分数16 ◆可编程控制的线圈电流最大0.8A所提供的驱动电压范围在8V—29V ◆固定频率的PWM电流控制带有自动选择的快慢衰减模式 ◆整步频率1KHz                                                                             ◆高温、开路、短路、过流以及欠压诊断 ●电机运动控制方面 ◆内置16位的位置计数器 ◆可配置速度、加速度的设置 ◆波形发生器可以根据所选择的位置或速度控制模式自动配置 ◆可在电机运动过程中及时更改目标位置 ◆外部参考信号出入,可用做电机限位信号 ●2线的串行接口 ◆传输速率350KBPS ◆可以传输诊断,状态信息以及运动参数 ◆可编程的节点地址数32个 ●无需外部传感器的失速探测功能 ◆可以检测电机超载避免丢步 ◆监测系统的震动情况,有的放矢地解决共振问题 TMC223引脚定义如下: 2.  内部结构及工作原理 图3为TMC223芯片内部功能框图,电机的工加速度、加速度、目标位置等参数通过串行接口传送至主控制区域,这些信息被存储在内部的RAM或OTP存储器中,用于与位置控制。控制区域将按照设定好的参数来驱动步进电机以达到所需的控制速度,目标位置等。
内部集成了两个双H桥功率管可以直接驱动2相步进电机,驱动电流可以达到0.8A,PWM用来控制流入电机线圈的电流,外部的电流输出感应电阻和内部的参考的值形成电流校正的闭环,通过输出电流比较电路,PWM产生信号来驱动功率管。TMC223通过2线具有双向串行数据接口与微控制器通讯,运动指令通过有微控制器经过串行总线送至TMC223主控制区,而一些诊断信息也可以经过TMC223传送至微控制器,在同一总线上可以最多连接32个节点,从地址可以通过OTP存储器或外部的接口来定义。
TMC223还具有StallGuard(失速探测功能)用在无需外部参考点的定位控制中,如不需要外部参考点的回原点运动。 TMC223支持微步细分功能具有半步、1/4、1/8、1/16,该功能保证了步进电机的平滑运动和很小的力矩波动几种细分模式可于用户自己选择。 在运动过程中更改目标位置,TMC223有着和其它控制器不同的功能,这种更改电机是及时响应的,其它的控制器的控制方法是要在第一个目标位置到达后才执行更改后的目标位置,并非及时地响应。 TMC223内部具有温度检测功能,到温度达到极限温度时电路会自动进入关闭状态,而且在这之前会产生温度报警信号;此外TMC223还具有电压检测功能,电路也会进入关闭状态当检测到电压低于极限值时,而且在这之前也会有报警信号产生。

 

[1][2]下一页>>
关于纺织机械 | 网络推广 | 栏目导航 | 客户案例 | 影视服务 | 纺机E周刊 | 广告之窗 | 网站地图 | 友情链接 | 本站声明 |