产品信息
德国Trinamic公司推出StallGuard失速探测器。该产品无需编码器即可实现无传感器失速探测功能,目前有TMC246和TMC249两种驱动器芯片可供选择。

TMC246的主要性能
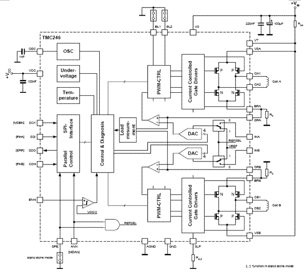
TMC246是一款双全桥驱动芯片,适用于双极性步进电机的驱动。内部集成专利技术无传感器的失速检测功能可用在无需外部传感器的位置控制中;该功能还可以预测电机的超载情况,适用于需要高可靠性的场合。芯片内部集成MOSFETs,采用独特的Low-RDS-ON技术达到低功耗,高效率性能,强化电机和驱动器的自身冷却无需外部的散热设备,即使在外部环境温度很高的情况下也可以实现
1.5A的驱动电流输出。TMC246的低功耗,高效率,体积小的设计理念使其成为嵌入式运动控制甚至电池供电设备的完美选择,内部集成的DAC功能可实现对电流的微步控制,TMC246可通过SPI串行接口或模拟/数字信号输入控制,另外该芯片还具有短路,过温,欠压,过载等保护功能。
● 集成无传感器的失速探测功能(
StallGuard)和负荷测量功能
● 通过简单便捷的SPI串行总线控制或外部模拟/数字信号控制
● 短路,过温,过压保护功能
● 内部集成4bitDAC自身可实现16倍的微步细分功能通过SPI可扩展到64倍细分
● 可以实现通过外部的模拟信号来实现任意的细分控制
● 具有实现电机平滑控制的混合衰减功能
● 通过单一电容或外部的时钟实现频率的编程控制
● 7V-34V电机驱动电压
● 高达1.5A的电机驱动电流,即使在外部温度105℃时也可以输出0.8A的电流
● 3.3或5V的数字控制电压
● 低功耗,高效率的RDS-ON电源设计
TMC246内部结构图:

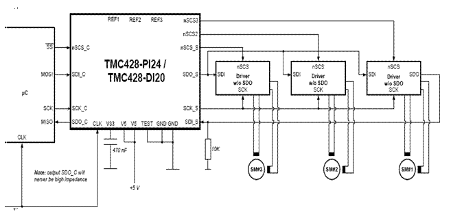
多轴控制系统的构成:

[1][2]下一页>>