所有新闻
百度 谷歌 雅虎 必应 搜狗 搜搜
公司 产品 导购 样本 名片 视频 图片 新闻 技术 黄页
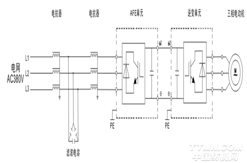
一、 GK1000 AFE驱动器介绍
1. GK1000系列AFE能量回馈型变频器,是AFE(Active Front End,有源前端)+逆变单元组合而成的四象限变频器。其AFE部分具有稳定直流母线电压、提高变频器输入功率因数、实时高效率能量回馈的作用,在特殊场合可实现对电网的无功补偿;其逆变部分可满足各种行业对驱动器的需求。
GK1000系列AFE能量回馈型变频器原理图如下:
四象限工作原理
1. GK1000系列AFE能量回馈型变频器特点
1) 电源端电流畸变率满足GB/Z 17625.6-2003标准要求。减少对公共电网的谐波污染,实现真正绿色能源普通变频器波形
GK1000波形
2. 有源功率因数校正,实现输入侧单位功率因数运行
GK1000稳态运行波形
3. 具有极佳的动态响应
满载发电状态向电动状态切换波形
4. 具有自动调节直流母线电压功能,即使出现电网电压瞬间波动或负载突变,也能维持直流电压恒定,从而保证逆变输出侧的带载能力。
电网电压跌落条件下AFE运行波形
二、 矿山绞车介绍
绞车又称为卷扬机,主要运用于建筑、水利工程、林业、矿山、码头等的物料升降或平拖。绞车是用卷筒缠绕钢丝绳或链条以提升或牵引重物的起重设备。矿山绞车是用于将矿石从矿井下提升至地面的其中设备。
三、 吉泰科GK1000 AFE驱动器在矿山绞车上应用
绞车工作状态:
1. 在绞车上绞的时候,电机在第一或者第三象限工作,属于电动状态。
2. 绞车在下放的时候,电机在第二或者第四象限工作,属于发电状态。
3. 电机处于发电状态,如果使用普通变频器,必须加制动斩波器和制动电阻,多余电能转化为热能释放掉,否则变频器不能正常运行。
4. 采用GTAKE GK1000 AFE产品后,不需增加制动斩波器和制动电阻,并能将电机发电的电能回馈到电网,供其他设备使用。
5. 适用于提升系统的抱闸控制,通过对驱动器内部输出电流和频率的精确控制避免绞车启动、停止时的溜车,同时还避免启动过流跳闸现象,控制图如下:
6. 节电率计算
• 以200KW电机,提升负载率80%,下放负载率为40%为基础计算,假设绞车每天运行20小时,其中提升时间45%,下放时间45%,等待时间10%。
• 提升时电机的耗电量根据公式计算:P=U*I*1.732*功率因数,则P=380V*320A*1.732*0.85≈179KW。
• 下放时电机的发电量根据公式计算:P=U*I*1.732*功率因数*效率(80%),则 P=380V*160A*1.732*1*0.8≈84KW。
• 假设绞车每天运行20小时,其中提升时间占45%,下放时间占45%,等待时间占10%,则一台200KW绞车一天的耗电量约为
W=(179*20*0.45)-(84*20*0.45)=1859-756=1103度。
节电率(2615-1103)/2615=57%。
以上为理论计算值,实际应用中会低于此值。
在多家客户实际应用中的节电率均在30%以上。
四、 结束语
GK1000 AFE驱动在多个矿山绞车上长期应用运行平定,大大减少客户电能消耗,控制效果优秀,获得用户好评
无锡二橡胶股份有限公司
面向顾客,持续改进,实施品牌战略,必须是
网址:http://www.wxrb2.com
常州市润源经编机械有限公司
经编未来 无限可能
网址:http://www.run-yuan.com/
青岛云龙纺织机械有限公司
云展云舒,龙行天下 并人间品质,梳天下纤维
网址:http://www.yunlongfj.cn/
黄石经纬纺织机械有限公司
印染机械 首选黄石经纬 印花机 丝光机 蒸化机
网址:http://www.hsjwfj.com/
解决技术难题、提升产品稳定性,宜昌经纬纺机QC小组喜获优秀奖! 青岛宏大与许昌裕丰成功签订8.4万锭托盘式自动络筒机,携手挺进新疆 我国面料对东盟北美出口均有所增长 整个纺织服装行业发展的主要趋势与重要方向 立达最新纺纱箱S35有效节约原料
重庆金猫携多种新产品参加本届ITMA亚洲展 业务量同比增长超70%,经纬榆次逆势而上靠什么? 壕砸1.3亿收购美国一家大公司,已购的徳司达年狂赚1亿美元,浙江龙盛真牛! 管理创新是纺织行业提质增效的必由之路 中棉行协赴武汉调研,当地纺企大佬齐“上诉”!棉花“抛储”是焦点!
震惊!曾投资百亿上演“空城计”、今半年产值4个亿!咸阳纺织业强势回归,“梦桃精神”永存! 沭阳县纺织产业“织”出“强县富民”产业链 咸阳纺织业回来了 产业用纺织品行业年中报告:保持增长效益持续改善 纺机人,生意再难做,深耕自己的行业也比转行靠谱!