纺机网技术中心

您所在的位置:纺机网>>纺织工业技术中心>>纺织学院技术列表
纺织学院技术列表

纤维素预处理后的结构及溶液流变性能

摘要:用乙二胺处理纤维素,通过x射线衍射、红外光谱分析对纤维素预处理前后的结构变化进行表征,x射线衍射表明经乙二胺预处理后纤维素的结晶度下降了很多。在相同条件下将等量预处理前后的纤维素溶解在NMMO/H2O体系中,结果显

印染企业节能减排状况与对策研究

摘要:印染企业生产成本中,能源成本约占总成本的7o%。结合绍兴地区6家企业的清洁生产审核工作,通过采集各印染企业的能资源消耗数据,按照统一的能源统计方法进行折算,评估了能源成本比例构成。分析表明,水、

论低碳经济下我国资源税的改革

摘要:低碳经济是未来世界发展的大势所趋,将给能源、环保等新兴产业带来新的机遇。中国未来的发展也无法脱离能源问题,在很大程度上,这也是中国未来发展的的一个前提。文章从发展低碳经济的角度出发,着力探讨了我国资源税制在低碳经济

活性染色用酸性皂洗剂RC一425A

摘要:介绍了酸性皂洗剂RC-425A的特性和使用方法,并与活性染色后的传统皂洗工艺进行对比。结果表明,酸性皂洗剂RC-425A应用于全棉斜纹织物和全棉毛巾活性染色后的皂洗,效果与传统皂洗工艺相当,且可

高聚合物无醛固色剂的合成与应用

摘要:探讨了高聚合物无甲醛固色剂的合成工艺,分析了原料配比、引发剂用量对产品性能的影响,优化出较佳合成工艺.用中心旋转法设计了活性染料染色织物的固色试验,优化出较佳的固色工艺参数:固色荆16~18,氯化钠8~12,焙烘温

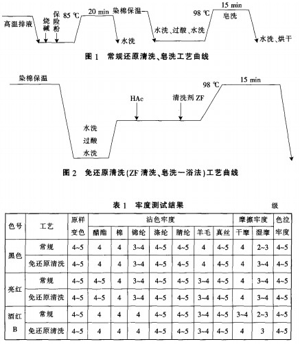
涤棉混纺针织物免还原清洗染整工艺

摘要:介绍了涤棉混纺针织物小样试验的要求,阐述了免还原清洗染整工艺中前处理、染涤、染棉以及ZF清洗、皂洗一浴的工艺处方,比较分析了免还原清洗工艺与常规工艺在染色工艺曲线、牢度和效益等方面的差别.得出免

涤纶织物拒水拒油泡沫涂层工艺研究

摘要:采用泡沫整理方法对涤纶织物进行单面涂层,使其具有单面拒水拒油效果且不影响内层的吸湿透气性能。文章通过正交试验确定了拒水拒油泡沫涂层剂的最佳配比,并探讨了该涂层工艺的最佳焙烘温度和时间。实验表明:涤纶织物拒水拒油泡沫

碱预处理对棉纤维接枝丝胶蛋白的影响

摘要:棉纤维经高碘酸钠选择性氧化后,可直接与丝胶蛋白产生共价结合。研究引入碱预处理能够有效地提高氧化棉纤维的醛基含量,从而使氧化棉纤维与丝胶蛋白的共价接枝能力进一步提高。并得出氧化棉纤维的醛基含量与氧

人造棉长巾印花工艺

摘要:人造棉长巾类印花产品的加工难度高,通过分析其练漂半成品要求、染化料选择和生产工序等要点,制定了一套人造棉长巾印花工艺。其练漂半成品要求煮练透,漂得白,布面均匀一致;选用国产K型和P型活性染料,FSSO合成增稠剂,B

改性水性聚氨酯乳液的合成及在涂料印花粘合剂中的应用

摘要:由于水性聚氨酯大多数是线性聚合物,多为线性结构,其耐水性和耐溶剂性差,所以通过环氧树脂改性来提高其胶膜的耐水性、耐溶剂性、耐化学品性能以及力争}生能。主要讨论了加入的环氧树脂的量和加入方式对乳液

浅谈高频压烫印花

凸凹花型纺织品就是指高于或低于其周边纤维表面纹路的具有立体感的纺织产品。这类产品的加工方法目前可归纳为两大类:机织法和印花法。机织加工法主要包括织造加工、后整理加工、织物组织加工和纬向强捻加工等。但这些都不是本文研究的课

羊毛环保染色工艺研究进展

摘要:环境友好的染色工艺是减少污染的一种重要方法,本文从环保的角度介绍了一些羊毛的节水节能的染色工艺。这些工艺包括低温染色、短湿蒸染色、微胶囊染色、冷轧堆染色、溶剂染色、超临界二氧化碳染色、低温等离子

毛腈混纺纱线的染色

腈纶纤维柔软、轻盈、保暖、耐腐蚀、耐日晒,比羊毛轻10%左右,强度大2倍多,有人造羊毛之称。腈纶不会发霉和被虫蛀,对光的抵抗性比羊毛大1倍,比棉花大1O倍。羊毛和腈纶混纺的纱线既可以有效的弥补纯毛纱线的不足,又能大幅度的
关于纺织机械 | 网络推广 | 栏目导航 | 客户案例 | 影视服务 | 纺机E周刊 | 广告之窗 | 网站地图 | 友情链接 | 本站声明 |

服务热线:027-8787 4011  服务传真:027-8725 5755

24小时客服:180 8600 9449 189 7135 6279  QQ:3352234307 3186169641

邮 箱:ttmn@ttmn.com 版 权:Copyright © 2017 纺织机械 WWW.TTMN.COM

工博网 经营许可 武汉网监局 不良信息举报中心