在印染加工中棉织物或纱线丝光对提高棉制品的质量尤为重要。经丝光后制品的光泽、染色性能、尺寸稳定性和弹性都随之获得改善和提高。目前最常用的丝光液是浓烧碱溶液,尽管其它碱金属如Li、K、Rb、Se的氢氧化物对纤维素也有一定的膨化作用,但它们的膨化能力随原子量的增加而降低,且成本较高,没有实际意义。此外,某些酸和盐类溶液如硫酸、硝酸、氧化锌等,虽可使纤维紊纤维膨化,获得丝光效果,但实际生产困难,缺少使用价值。而无水液氨因分子量小,纯度高,膨化性能优良,在6O年代后期进行过丝光研究,产品的光泽和染色性能不如浓烧碱,但手感和尺寸稳定性却更好,因此常用在后整理中。
双丝光是指纱线织成织物后进行两次丝光,或纱线丝光后织成织物再丝光,或纱线丝光两次。具体采用哪种双丝光方式,可根据实际情况进行选择。本实验利用现有条件对纯棉本白纱线进行双丝光,以探求较好的丝光工艺。
1 实验部分
1.1 实验材料、仪器和方法
用8.5 teX烧毛纱线,烧碱,耐碱丝光渗透剂等;自制纱线丝光架,单纱强力仪,显微镜,测色仪等。纱线煮练按常规煮练工艺进行。用烧碱和耐碱丝光渗透剂配制不同浓度的丝光溶液此外,配制I2一KI溶液和1M的直接湖蓝染液。
纱线丝光用自制丝光架做不同烧碱浓度、温度、时间的双丝光试验,同时做无张力丝光(碱缩)进行对比。
1.2 性能测试
强力测试 用单纱强力仪测定处理后的纱线强力;染色及 K/S值的测定是将处理的纱线用直接湖蓝染色后进行测色得到K/S值,比较染色性能和吸附性能,I2一KI实验是将处理的纱线用I2—KI溶液上色,比较得色情况}光泽判断口是将处理的纱线进行切片,观察横截面判断光泽的好坏。
2 结果与讨论
2.1 烧碱浓度
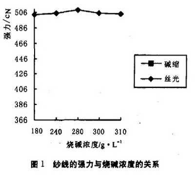
测量经不同浓度烧碱双丝光及两次碱缩后纱线的强力及染色性能、吸附性能变化,结果如图1、图2所示。
.jpg)
.jpg)
由图1可知,当烧碱浓度由180 g/L变化到280
.jpg)
.jpg)
由图3可知,当处理温度由2O℃变化到4O℃时,双丝光纱线的强力逐渐下降,表明处理温度在2o℃时双丝光后的纱线强力最大。而对于两次碱缩的纱线,当处理温度由2O℃变化到 4O℃时,强力也逐渐下降,表明当处理温度在2o℃时两次碱缩的纱线强力也是最大。
由图4可知,当处理温度由2O℃ 变化到3O℃时,双丝光纱线的K/S值逐渐上升,当处理温度由3O℃变化到4O℃时,K/S 值逐渐下降,表明当处理温度在3o℃时K/S值最大,纱线的染色及吸附性能最好。而对于两次碱缩的纱线,当处理温度由2O ℃变化到4O℃时,K/S值逐渐下降,表明处理温度在2O℃时 K/S值最大,纱线的染色及吸附性能最好。
由图3和图4可知,无论是双丝光还是两次碱缩,当处理温度在2O℃到3O℃之间时效果较好 由于浓烧碱与纤维素纤维的反应是放热反应,温度越低对反应越有利,但温度过低,一方面烧碱溶液粘度显著增大,使烧碱不易进入纤维造成表面丝光,另一方面考虑到经济效益,保持低温需要相当大功率的冷却设备和电力消耗,因此温度不能过高也不能过低。此外,还可看出双丝光后的纱线强力比两次碱缩后的纱线强力大,但K/S值却小,即染色性能和吸附性能较差。其原因同上。
2.3 处理时间
测量经不同时间烧碱双丝光及两次碱缩后纱线的强力及染色性能、吸附性能的变化,结果如图5、图6所示。
.jpg)
.jpg)
由图5可知,当处理时间由1 min变化到5 min时,双丝光纱线的强力逐渐上升;由5 min变化到6 min)时,强力逐渐下降,表明处理时间在5 min时双丝光后的纱线强力最大 对于两次碱缩的纱线,变化规律是一致的。
由图6可知,当处理时间由1 min变化到5 min时,双丝光纱线的K/S值逐渐上升,由5min变化到6min时,K/S值逐渐下降,说明当处理时间在5min时。双丝光后的纱线K/S值最大,纱
.jpg)
3 结论
(1)双丝光效果较好的工艺条件是.浓度为280 g/L,时间为5 min,温度20~30℃。
(2)就纱线的强力和K/S值改善而言,双丝光比单次丝光效果更好,纱线光泽更亮,手感更舒适,可使棉制品的服用性能有较大提高。
相关信息 







推荐企业
推荐企业
推荐企业