由上述单因子实验得出整理后织物保暖性较好的自清洁整理参数,为了确定复合功能整理使保暖性损失最低的最佳整理工艺,我们对其进行正交实验并测定织物保暖率和克罗值。根据上述单因子实验结果和规律分析,制定已经过抗菌整理的织物进行自清洁整理的三因子三水平见表3,正交实验结果见表4.极差分析见表5。

根据正交表的整齐可比性.可以比较各个因子的R值,其中R值大的可认为是影响实验结果的重要因素,R值小的为次要因素。由表5极差分析结果可知.在整理剂浓度、焙烘温度、焙烘时间这3个因素中,整理剂浓度对保暖针织物复合功能整理的保暖性影响最大,其次是焙烘温度.焙烘时间影响最小。由于整理后织物保暖率和克罗值越大越好,因此根据以上正交分析得出较佳工艺是A2B2C1,即整理剂浓度35g/L、焙烘温度170℃、时间0.5min。按照此工艺参数对试样进行抗菌、自清洁复合功能整理,并验证其功能性。整理前后织物保暖性、透气性和透湿性如表6。

由表6可以看出,整理后织物保暖性略差,保温率降低约2%、克罗值降低约4%;由于整理剂在织物表面成膜,纱线和纤维问空隙变小,因此透气性变差,下降幅度约有18%;但整理后织物透湿性变好,透湿量增大幅度约2%。综上所述,以最佳整理工艺参数整理后,织物的服用性能总体损失较小。
3功能性及耐久性分析
已具有抗菌、自清洁功能性的织物,在水洗过程中抗菌整理剂也可能从织物上脱离,另外由于吸水膨化,可能将整理剂在织物表面产生的膜挤破,破坏了拒水防油性。因此,按照最优整理工艺参数整理保暖针织物,赋予面料新的功能后,考虑其功能整理的耐久性也是重要的一方面。
3.1抗菌性能
对未洗涤和洗涤l5次的试样,经SGS分别进行抗菌性能检测,检测结果均为:抑菌环为4.2mm,样品底部及周围无试验菌生长也无杂菌生长。上述测试结果表明整理后织物已具有良好的抗菌性能,且多次洗涤后织物抗菌功能稳定。
3.2自清洁性能
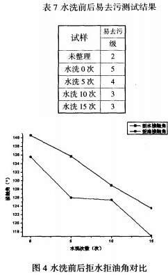
根据上述测试标准对整理前后及水洗后试样进行测试后,易去污结果如表7、拒水防油结果如图4。

相关信息 







推荐企业
推荐企业
推荐企业