.jpg)
2.2活性染料染色织物皂洗
2.2.1皂洗温度
由图6可知,当皂洗温度为65℃时,皂洗酶210B对染色织物具有一定的皂洗效果,随着处理温度的升高,皂洗效率逐渐增强;85℃时,活性艳蓝KN-R、活性蓝K-3RL染色织物基本达到皂洗平衡.活性深蓝B-2GLN>85℃皂洗时,皂洗效率略有提高,从能耗等方面综合考虑,皂洗温度选择85℃.
.jpg)
2.2.2皂洗pH值
从图7可以看出,pH值对皂洗效率有一定的影响,考虑到活性染料染色成品pH值的要求,选择中性条件下对染色织物进行皂洗.
.jpg)
2.2.3皂洗时间
.jpg)
由图8可知,随着处理时间的延长,皂洗效率逐渐提高,20 min时,皂洗效率基本达到平衡.此时3只染料的皂洗效率:活性艳兰KN-R>活性蓝K-3RL>活性深蓝B-2GLN.
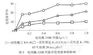
2.2.4皂洗酶210B用量
.jpg)
由图9可知,活性深蓝B-2GLN在较低的皂洗酶210B用量(0.4 g/L)下,皂洗效率基本达到了平衡.而活性蓝K-3RL和活性艳兰KN-R在皂洗酶210B用量分别为1.0 g/L、0.6 g/L时,才具有较高的皂洗效率.
2.2.5硫酸钠用量
.jpg)
从图10可以看出,硫酸钠用量对皂洗效率有一定的影响,考虑到试验误差等因素,可以认为皂洗过程中皂洗酶对低用量硫酸钠不是很敏感.
2.3皂洗色牢度
由表1可知,用皂洗酶皂洗的织物各项色牢度均与常规皂洗工艺一致.
.jpg)
相关信息 







推荐企业
推荐企业
推荐企业