2.2.2 媒染时间
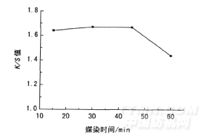
选用明矾为媒染剂,按1.2.1节工艺对牛奶蛋白纤维织物染色,媒染时间分别为15,30,45和60min。织物表观得色量随媒染时间的变化见图2。
.png)
图2 媒染时间与织物得色量K/S值的关系
从图2可知,K/S值随着媒染时间的增加先缓慢提高后下降。媒染30min时,K/S值达到最高值,继续延长媒染时间,K/S值下降。这是因为染色初始,随着媒染时间的增加,媒染剂与织物的结合不断增加;媒染30min时,结合量达到最大值;继续延长媒染时间,部分已经与织物及染料结合的媒染剂有可能重新溶落染液,使K/S值下降。媒染15~45min,K/S值变化平缓,表明媒染15min,与织物结合的媒染剂已达较高的量。因此,媒染时间不适宜过长,可控制在30min。
2.2.3 媒染温度
选用明矾为媒染剂,媒染温度分别为20,40,60和80℃,织物表观得色量随媒染温度的变化见图3。
.png)
图3 媒染温度与织物得色量K/S值的关系
从图3可知,K/S值随着媒染温度的提高先增加后降低。媒染温度60℃达到最高值,且比20℃时有较大的提高。这表明在温度60℃时,媒染剂与织物的结合达到最高值,且媒染温度对织物的得色量影响较大。因此,初步控制媒染温度为60℃。
2.2.4 染色时间
在染色时间分别为15,30,45,60和90min时,织物的表观得色量随染色时间的变化见图4。
.png)
图4 染色时间与织物得色量K/S值的关系
由图4可知,染色时间较短,织物的K/S值即有较大的提高;染色45min时,染料的吸附和解吸达到平衡,织物的K/S值达到最高;染色90min,织物的K/S值明显降低。这可能是由于染色时间过长,导致部分染料解吸。因此,染色时间初步定为45min。
2.2.5 染色温度
分别采用40,60,80和90℃对牛奶蛋白纤维针织物进行染色,织物的表观得色量随染色温度的变化如图5所示。
.png)
图5 染色温度与织物得色量K/S值的关系
由图5可知,染色温度40℃时,织物的K/S值较低,为1.5264;随着染色温度的提高,织物的K/S值显著增加;染色温度为80℃时,织物的颜色深度达到最大,K/S值为1.7351;继续升高染色温度至90℃,K/S值下降。因此,初步设定染色温度为80℃。
2.2.6 染料用量
选用明矾为媒染剂,按1.2.1节工艺对牛奶蛋白纤维针织物进行染色,染料用量分别选用1%,3%,5%,7%和10%(owf)。染料用量与织物得色量K/S值的关系如图6所示。
<<上一页[1][2][3][4][5]下一页>>
相关信息 







推荐企业
推荐企业
推荐企业