.jpg)
.jpg)
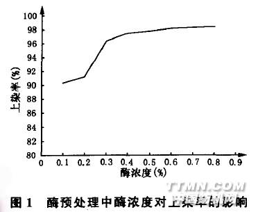
根据以上3个影响曲线综合分析确定,分别在酶浓度0.3% 、0.4% 、0.5% ,处理温度30、40、50℃ ,处理时间20、30、40 min条件下实验,获得实验样品27个,其染色后,通过上染率的测定求出最佳预处理工艺。1.2.2 碱预处理单因素实验在传统沸染条件下碱处理时的pH值、处理温度、处理时间对上染率的影响见图4一图6。.jpg)
.jpg)
图6 碱处理时间对上染率的影响.jpg)

根据上面3个影响曲线综合分析确定,分别在pH值8、8.5、9,碱预处理温度40、45、50℃ ,碱预处理时间20、30、40 min条件下实验,得到实验样品27个,其染色后,通过上染率的测定求出最佳预处理工艺。1.2.3 氧化预处理单因素实验在传统沸染条件下,氧化剂浓度、处理温度及处理时间对上染率的影响分别见图7~图9。双氧水和甲酸的浓度应分别控制在15%和3.75%以下,否则强力损失较大。根据图7~图9的影响曲线综合分析确定,在双氧水5% 、10%、15% ,甲酸浓度1.25% 、2.5% 、3.75%;氧化预处理温度4O、45、5O℃ ;氧化预处理时间20、30、40 min条件下实验,得到实验样品27个,其染色后,通过上染率的测定求出最佳预处理工艺。2 指标的检测采用鄂尔多斯集团在线检测仪做染料上染率的同步检测。染色牢度的检测:依据GB/T 3920&
3 实验结果与分析3.1 生物酶预处理染色实验结果分析3.1.1 酸性媒介染料染色表1为生物酶预处理酸性媒介染料染色参数设计及统计结果。由表1确定染色优化工艺为:生物酶0.5%,盐用量4% ,处理温度30℃ ,低温助剂7 g/L,处理时间20 min,染色pH值5.0,染浴温度80℃。工艺曲线见图10、图11。
3.1.2 活性染料染色采用3.1.1的分析方法,得到优化工艺为:生物酶0.5% ,盐用量4% ,处理温度30℃,低温助剂7 g/L,处理时间20 min,染色pH值5.0,染浴温度80℃ ,工艺曲线见图12。
3.2 碱预处理染色实验结果分析3.2.1 酸性媒介染料染色采用与3.1.1相同的数据分析方法,得到碱预处理酸性媒介染料染色的优化工艺为:碱处理pH值8,低温助剂7 g/L,处理温度4o℃ ,盐用量4% ,处理时间40 min,染色pH值5.5,染浴温度80℃ ,染色升温曲线同图11,碱预处理工艺曲线见图13。
3.2.2 活性染料染色采用与3.1.1相同的数据分析方法,得到碱预处理活性染料染色的优化工艺为:pH值9.0,处理温度50℃,处理时间40 min,低温助剂7 g/L,染色pH值5.0,盐用量6% ,染浴温度80℃,染色升温曲线见图12。3.3 氧化预还原处理染色实验数据分析3.3.1 酸性媒介染料染色采用与3.1.1相同的数据分析方法,氧化预处理酸性媒介染料染色的优化工艺为:双氧水及甲酸浓度分别为15% ,3.75% ,pH值5.0,处理
相关信息 







推荐企业
推荐企业
推荐企业