剑杆织机分类
剑杆引纬的型式最多,可按以下几个特征分类。
(一)剑杆的配置
剑杆的配置有单剑杆引纬和双剑杆引纬之分。单剑杆引纬仅在织机的一侧安装比布幅宽的长剑杆及其传剑机构,由它将纬纱送入梭口至另一侧,或空剑杆伸入梭口到对侧握持纬纱后,在退剑过程中将纬纱拉入梭口完成引纬。双剑杆引纬在织机两侧都装有剑杆和相应的传剑机构,这两根剑杆分别称之为送纬剑和接纬剑。引纬时,纬纱由送纬剑送至梭口中央,然后交付给对侧也已运动到梭口中央的接纬剑上,两剑再各自退回,由接纬剑将纬纱拉过梭口。
这两种型式相比,单剑杆引纬时,纬纱不经历梭口中央的交接过程,故较可靠,剑头结构简单,但剑杆尺寸大,增加占地面积,且剑杆动程大,限制车速的提高。而双剑杆引纬时,剑杆轻巧,结构紧凑,便于达到宽幅和高速,梭口中央的纬纱交接现已很可靠,极少失误,因此目前广泛采用的是双剑杆引纬。
(二)纬纱交接方式
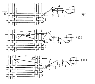
双剑杆引纬时,纬纱在梭口中央由送纬剑交付给接纬剑,交接方式有叉入式和夹持式两种。叉入式的特征是送纬剑与接纬剑之间以纱圈交接纬纱,叉入式又可分为单纬叉入式和双纬叉入式。单纬叉入式引纬过程如图8-14所示,纬纱从筒子引出,经过张力器1和导纱器
图8-14单纬叉入式引纬过程
1-张力器2-导纱器3-夹纱片4-送纬剑5-接纬剑6-导纱器
2、6后,纬纱头端夹持在供纬夹纱片3中,送纬剑4和接纬剑5在梭口开启时相向进入梭口,当送纬剑头经过导纱器6时,纬纱便挂在送纬剑的叉口中,但纬纱纱端仍夹持在夹纱片3中,如图中(乙)所示。在梭口中央交接时,接纬剑5勾住纬纱纱圈,纬纱纱端则从夹纱片3中释放,接下来随接纬剑退出梭口,纬纱不再从筒子退绕,接纬剑将纬纱拉成单根留在梭口中,打纬后已织入的一纬仍与筒子相连,如图中(丙)所示,待送纬剑4将下一纬的纬纱纱圈交付给接纬剑时,导纱器6已将纬纱纳入剪刀剪断,与
双纬叉入式的引纬过程如图8-15所示,纬纱经张力器1、导纱器2后,穿入送纬剑4的
图8-15双纬叉入式引纬过程示意图
1-张力器2-导纱器3-撞纬片4-送纬剑5-接纬剑6-接纬剑钩端
孔眼中,被送纬剑送入梭口,两剑在梭口中央交接,接纬剑钩端6伸入送纬剑中勾住纬纱,如图(乙)所示。接纬剑5已勾住纱圈退出梭口,在打纬的同时由撞纬片3使纱圈从接纬剑钩头上脱下来套到成边机构的舌针上,由舌针将它与上一个纬纱纱圈串套成针织边,如图(丙)所示。送纬剑在退剑时,纬纱仍穿在剑头的孔内,接纬剑退回时,纬纱继续从筒子上退绕,这样每次引入梭口的纬纱为双根纬纱。双纬叉入式引纬只适于制织双纬织物,且无法换纬,故只能用于单色纬纱制织,有着很大的局限性。
夹持式的特征是送纬剑与接纬剑之间以纱端形式交接纬纱。夹持式引纬过程如图8-16所
相关信息 







推荐企业
推荐企业
推荐企业