我国转杯纺纱机及纺纱器的发展概况
一、我国转杯纺的发展概况
我国自20世纪70年代初引进转杯纺纱机开始,到80年代初期,转杯纺发展的速度是比较缓慢的。其原因是这期间就转杯纺纱机本身而言,还存在一些不足和待完善、待提高之处。在当时设备及工艺技术条件下,转杯纺还只能纺制粗特纱。所以纺织界对转杯纺普遍存在着一种偏见,即转杯纺只能纺粗特纱,只适合“吃粗粮、处理下脚料”。即使是一些规模较大的纺织厂,也只配置三四台转杯纺纱机,用来消化本厂环锭纺纱的下脚料。至于单一的转杯纺纱厂更是寥若晨星、屈指可数。此外,在当时那个年代尚未执行改革开放政策和经济市场化运作,生产经营和企业管理受计划经济模式的制约,仍处于封闭保守状态。所以,那段时期我国转杯纺发展的速度是比较缓慢的。
随着转杯纺纱机性能的不断改进和提高,加上从事转杯纺生产的广大工程技术人员及职工不断地探索和潜心研究,在纺纱工艺技术和产品开发方面都有了较大的突破和创新。因此,转杯纺无论从纺纱品种范围还是从原料应用领域都有较大的拓宽。另一方面,在改革开放政策的许可下,合资的或个体的转杯纺纱厂,犹如雨后春笋般地遍及我国广大的城镇和乡村。20世纪90年代至今,转杯纺纱这一纺纱技术,在我国得到了突飞猛进的发展。预计不久的将来在棉纱的产量和品种上,转杯纺纱与环锭纺纱将平分秋色。图1—1所示为我国转杯纺纱机发展的曲线图(图中数字非官方统计数),由图1—1可以看出,自20世纪80年代后期,我国转杯纺以极快的速度发展,其迅速发展的原因有以下几点。
(一)外贸出口增加
我国历来是纺织品、服装的出口大国,棉纱、棉布、丝绸及其他类产品,在国际市场上都享有很高的声誉,因此,较其他工业产品所占的出口比例大。加人世界贸易组织(WTO)后,我国传统的纺织工业产品得到了良好的商机,纺织产品出口的品种越来越多,
(二)国内消费水平的提高
随着我国人民生活水平的不断改善,衣着消费水平也不断提高,人们的生活观念在不断地改变。衣着首先要讲时尚,款式要新颖出众,尤其是青年群体,更加追逐时装潮流。另外,人们的衣着保健意识也在不断增强,衣着个性化及返璞归真的思潮日趋强烈。用转杯纱(布)做成的各种牛仔布服饰及纯棉内衣,恰好能满足以上要求,因此,增大了内需转杯纱的用量。
(三)转杯纱的用途不断拓宽
由于转杯纱的用途十分广阔,因此,对成纱质量有着不同的要求。质量差一点的转杯纱可以织造手套、包皮布、帆布等;质量好一点的转杯纱可以织造灯芯绒、牛仔布、被单布等产品。目前质量较好的转杯纱上蜡后可作高档的针织内衣用纱。一些装饰布、沙发套、衬垫、窗帘布等也是用化纤混纺转杯纱织造以后经阻燃处理加工而成的。从上述情况可以看出,转杯纱的用途十分广阔,从而拓宽了转杯纱的使用领域。
(四)转杯纺新纱种大量研发成功
转杯纺在20世纪70年代中期都是以纺97.2tex(6英支)、83.3tex(7英支)纯棉纱为主,个别厂家少量纺36.4tex(16英支),在当时就认为是细特(小号)纱了。自70年代后期至80年代中期,在转杯纺上成功地研发出化纤、毛、麻以及相关的混纺纱。到这时纺织界对转杯纺只能消化下脚料、只适合纺粗特纱的偏见才得以改变。直至后来有的厂家开发出了低捻纱、18.2tex(32英支)针织用纱、纯棉竹节纱、S捻纱、柚丝纱,目前又开发出包芯转杯纱等诸多新纱种。由于新纱种不断开发研制成功,再加上转杯纱用途不断拓宽,转杯纺才引起纺织界投资者的关注,这为其发展奠定了基础。
(五)转杯纺对生产环境适应性强
转杯纺生产车间的环境及条件,如温度、相对湿度比环
(六)减少辅助性的设备投资
由于转杯纺的工艺流程短、工序少,因此相应的辅助性维修工作也要少一些。如:环锭纺的细纱工序需要磨胶辊、磨胶圈,校锭子、磨钢领、修摇架等辅助工序和辅助设备,而转杯纺却无此需要。所以在设备投资方面,转杯纺要比环锭纺少得多。又因为转杯纺生产车间在保温性能、空调通风方面要求相对低,其基本建设项目比环锭纺纱厂也要少得多。因此,转杯纺纱厂是一项投资少、获利快、投资回收周期短的投资项目。
(七)能充分利用原棉降低生产成本
近几年国产原棉供不应求,造成棉价大幅度上涨。因此,各棉纺厂都在千方百计地提高原棉的利用率,以降低生产成本,提高企业的利润。又因转杯纺能消化、利用一些低级花和回用棉,纺制粗特纱和专纺纱。这样原棉在得到充分利用的同时,也降低了生产成本,提高了企业的经济效益。
由于以上种种原因,形成了一股转杯纺的投资热。当前,单一的转杯纺纱厂在我国广大的城镇、甚至偏远的乡村已星罗棋布。规模较小的拥有两三台转杯纺纱机,规模较大的转杯纺纱厂拥有10—20台转杯纺纱机已屡见不鲜,规模最大的可拥有200台以上的转杯纺纱机。在建的、扩建的、筹建的以至酝酿要建的转杯纺纱厂也不在少数。可以预见,我国转杯纺的发展将会呈现出一派欣欣向荣的可喜局面。
二、转杯纺纱机与纺纱器的发展概况
转杯纺自20世纪70年代大规模投入工业化生产以来,在短短四五十年间,无论是纺纱机本身还是纺纱工艺方面的创新都十分显著。在转杯纺最关键的部件——纺纱
转杯纺纱机与纺纱器的发展也和其他所有机械设备发展过程一样,其结构也是由简单到复杂,其作用也是由单一到多样,其功能也是由不完善到完善,甚至发展到今天已达智能化的程度。最初的纺纱器缺少减振装置,排杂作用、散热性能也较差,因而纺杯的转速较低,只有30000—40000r/min。最初装在BD200R型转杯纺纱机上的纺纱器如图1—2所示。转杯纺纱机的传动及工艺调整,均通过调换齿轮得以实现,这种类型的转杯纺纱机,就是后来被称为第一代转杯纺的纺纱机。
由于第一代转杯纺纱机的纺杯转速慢,因而影响了生产效率及棉纱产量;又因为纺纱器没有排杂功能,所以,纱条上的杂质多,也影响了棉纱质量。到20世纪70年代中后期,捷克Elitex公司在原有纺纱器的基础上,增加了减振装置和排杂功能,散热性能也有了较大的改善,此时纺杯转速已提高到60000r/min,这不但提高了转杯纺的产量,也提高了质量,如装配在RC型转杯纺纱机上的RC型纺纱器。到20世纪80年代初期,纺纱器又改进成目前在我国应用最广泛、最普及的CEⅡ型纺纱器,如图1—3所示。在纺纱过程中,各种工艺参数的调整均可通过无级调速器来实现,并可通过计算机显示屏进行显示,这就是后来被称为第二代的转杯纺纱机,如BD200RN型、BD200SN型转杯纺纱机。
虽然,BD200SN型转杯纺纱机和CEⅡ型纺纱器的性能已比较成熟和完善,但随着生产实践的不断深入,人们对转杯纺纱机和纺纱器提出了更新、更高的要求。如为了适纺长纤维原料,有利于增强排杂效果,将纺纱器的分梳辊及分梳腔的直径加大,也相应加大排杂口、加宽排杂区;还把纱条的断头检测装置干簧开关(干簧管
20世纪70年代后期,在捷克人完善提高自排风式转杯纺纱机(纺纱器)的同时,德国、瑞士、英国等国又开辟了转杯纺的新途径,研制成功了另外一种排气方式的纺纱器——抽气式转杯纺纱,如德国制造的RU系列型转杯纺纱机、瑞士立达公司生产的M1/1型转杯纺纱机。20世纪80年代末,这两种排气方式不同的转杯纺纱机无论从设备的性能方面,还是生产效率、成纱质量方面都不分上下,呈现并驾齐驱之势,并以各自的长处向前发展。20世纪90年代初期,自排风式纺纱器的一些不足之处,才逐渐显现出来。因此,抽气式转杯纺纱机后来居上,被纺织界普遍看好。
随着纺纱生产实践的不断发展,人们对转杯纺纱机性能及作用又有了更高的要求。如为了进一步提高转杯纺的产量,纺杯的转速要突破100000r/min。原先的直接轴承已不能满足这样高速的需要,所以要向间接轴承(图1—5)、空气轴承、磁浮轴承方向发展。为了提高成纱质量,防止纱条上产生粗节,在转杯纺纱机上又装备了电子清纱器;为了提高纱条的接头质量,又将手工接头、半自动接头操作转人自动化接头阶段。随着时间的推移、转杯纺技术的发展,转杯纺纱机又向智能化方向迈进,如具有自动接头、自动打底线、自动落纱、筒纱定长、纱条质量自行监测、事故报警等功能。目前德国赐来福公司生产的奥托康纳312型转杯纺纱机、瑞士立达公司生产的R40型转杯纺纱机、瑞士苏拉公司生产的BD
虽然抽气式转杯纺纱机已领先于自排风式转杯纺纱机,但自排风式转杯纺纱机具有适合纺非棉产品以及可用低级花、回用棉纺粗特纱,并且在车间生产条件较差的情况下,仍能保持正常生产,耗电量少、维修费用低、设备价格低廉等。因此,在目前和今后一段时间内,自排风式转杯纺纱机仍有存在和发展的空间。
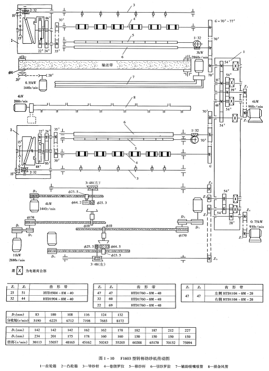
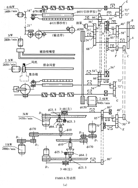
目前,我国的转杯纺纱机仍以自排风式为主,主要机型有FA601A(J)型、F1603型以及BD200SN(120)型或在此基础上改进的转杯纺纱机。这三种转杯纺纱机的主要工艺性能见表1—1。图1—9所示为FA601A(J)型转杯纺纱机的传动图,图1—10所示为F1603型转杯纺纱机的传动图,图1—11所示为BD200SN型转杯纺纱机的传动图,图1—12所示为FA601A(J)型转杯纺纱机车头箱齿轮(挂轮)传动图。PA601A(J)型转杯纺纱机的牵伸倍数挂轮表和纺杯转速与捻度的关系见表1—2和表1—3。
表1—1国产转杯纺纱机的主要机型及工艺参数
|
BD200SN(120)型 |
FA601A(J)型 |
F1603型 |
|||
机身尺寸(mm) (长×宽×高) |
17215×950×1895 |
15588×900×1930 |
21185 ×1200×1855
(168头标准机长度) |
|||
纺纱器型号 |
CEⅡ |
CEⅡ |
CEⅡ |
|||
纺纱器间距 (mm) |
120 |
120 |
200 |
|||
每台头数 |
200 (左、右各100头) |
200 (左、右各100头) |
24、84、120、168、192 (左、右各半) |
|||
纺杯速度 |
φ66mm:31000、36000、40000 |
φ66mm:30000、35000、40000 |
φ66mm:3000、35000、40000 φ54mm:45000、50000、55000、60000 |
|||
φ54mm:45000、50000、55000、60000 |
φ54mm:45000、50000 |
φ43mm:6500、70000、75000 |
||||
适纺线密度 (tex) |
φ66mm纺杯: 纯棉14.50—100 化纤20—72 |
φ54mm纺杯: 纯棉14.5—50 化纤20—50 |
φ66mm纺杯: 14.7—100 |
φ54mm纺杯: 14.7—50 |
966;66mm纺杯:
14.7—100 |
φ54、φ43mm 纺杯:14.7—50 |
捻度范围 (捻/m) |
φ66mm纺杯,325—1838 φ54mm纺杯,470—1838 |
φ66mm纺杯,258~2000 φ54mm纺杯,387—2500 |
φ66mm纺杯,258—2000 φ54mm纺杯,387—3060 φ43mm纺杯,484—3825 |
|||
牵伸倍数 |
40~242.8 |
35—230.5 |
35~230.5 |
|||
喂入棉条线 密度(tex) |
2940—5000 |
2200—5000 |
2200—5000 |
|||
引纱速度 (m/min) |
第一档:19.4—83.5 |
20—116.7 |
20—116.7 |
|||
第二档:35.1~125.3 |
||||||
适纺纤维长度 (mm) |
40以下,平均不短于19 |
25—40,平均不短于19 |
25—40,平均不短于19 |
|||
分梳辊转速 (r/min) |
5000、6000、6500、7000 、
7500、8000、8500、9000 |
5200、6200、6700、 7200、7700、8200 |
5200、6200、6700、 7200、7700、8200 |
|||
筒子纱成形尺寸(mm,直径×长) |
平筒240×90 |
平筒230×90 |
平筒300×150 锥筒250×150(3°31′) |
|||
筒子纱重量(kg) |
1.5—1.9 |
1.5—1.7 |
约4 |
|||
筒管尺寸(mm, 外径×内径×长) |
56×50×98 |
56×50×98 |
56×50×170(平筒) |
|||
棉条桶尺寸 (mm,直径×高) |
229×914、254×914、305×914 |
230×914 |
250×900、300×900 350×900、400×900 |
|||
电动机功率 [功率(kW)×台数] |
纺杯15×2,分梳辊3×1,吸嘴3,排杂2.2,引纱、给棉无级调速器伺服 电动机0.18×2 |
纺杯11×1,分梳辊3×2,车头传动电动机2.6,排杂2.2,输送带0.4 |
纺杯11 5;2,分梳辊4×2,引纱4,
给棉0.75,排杂4,输送带0.55,辅助吸嘴3 |
|||

表1—2FA601A(J)型转杯纺纱机牵伸倍数挂轮表
|
40/72 |
42/70 |
57/55 |
70/42 |
72/40 |
82/30 |
40 |
24.99 |
26.99 |
46.62 |
74.97 |
80.96 |
122.95 |
4l |
25.61 |
27.66 |
47.78 |
76.84 |
82.99 |
126.02 |
42 |
26.24 |
28.34 |
48.95 |
78.72 |
85.01 |
129.09 |
43 |
26.86 |
29.01 |
50.11 |
80.59 |
87.04 |
132.17 |
44 |
27.49 |
29.69 |
51.28 |
82.46 |
89.06 |
135.24 |
45 |
28.11 |
30.36 |
52.44 |
84.34 |
91.08 |
138.31 |
46 |
28.74 |
31.04 |
53.61 |
86.21 |
93.11 |
141.39 |
47 |
29.36 |
31.71 |
54.77 |
88.09 |
95.13 |
144.46 |
48 |
29.99 |
32.39 |
55.94 |
89.96 |
97.16 |
147.53 |
49 |
30.61 |
33.06 |
57.01 |
91.83 |
99.18 |
150.61 |
50 |
31.24 |
33.74 |
58.27 |
93.71 |
101.21 |
153.68 |
51 |
31.86 |
34.41 |
59.43 |
95.58 |
103.23 |
156.76 |
52 |
32.49 |
35.08 |
60.60 |
97.46 |
105.25 |
159.83 |
53 |
33.11 |
35.76 |
61.77 |
99.33 |
107.28 |
162.90 |
54 |
33.74 |
36.43 |
62.93 |
101.21 |
109.30 |
165.98 |
55 |
34.36 |
37.11 |
64.10 |
103.08 |
111.33 |
169.05 |
56 |
34.98 |
37.78 |
65.26 |
104.95 |
113.35 |
172.12 |
57 |
35.61 |
38.46 |
66.43 |
106.83 |
115.37 |
175.20 |
58 |
36.23 |
39.13 |
67.59 |
108.70 |
117.40 |
178.27 |
59 |
36.86 |
39.81 |
68.76 |
110.58 |
119.42 |
181.34 |
60 |
37.48 |
40.48 |
69.92 |
112.45 |
121.45 |
184.42 |
61 |
38.11 |
41.16 |
71.09 |
114.32 |
123.47 |
187.49 |
62 |
38.73 |
41.83 |
72.25 |
116.20 |
125.49 |
190.57 |
63 |
39.36 |
42.51 |
73.42 |
118.07 |
127.52 |
193.64 |
64 |
39.98 |
43.18 |
74.59 |
119.95 |
129.54 |
196.71 |
65 |
40.6l |
43.86 |
75.75 |
121.82 |
131.57 |
199.79 |
66 |
41.23 |
44.53 |
76.92 |
123.70 |
133.59 |
202. 86 |
67 |
41.86 |
45.20 |
78.08 |
125.57 |
135.61 |
205.93 |
68 |
42.48 |
45.88 |
79.25 |
127.44 |
137.64 |
209.01 |
69 |
43.11 |
46.55 |
80.41 |
129.32 |
139.66 |
212.08 |
70 |
43.73 |
47.23 |
81.58 |
131.19 |
141.69 |
215.15 |
71 |
44.36 |
47.90 |
82.74 |
133.07 |
143.71 |
218.23 |
72 |
44.98 |
48.58 |
83.91 |
134.94 |
145.74 |
221.30 |
73 |
45.60 |
49.25 |
85.07 |
136.8l |
147.76 |
224.38 |
74 |
46.23 |
49.93 |
86.24 |
138.69 |
149.78 |
227.45 |
75 |
46.85 |
50.60 |
87.40 |
140.56 |
151.81 |
230.52 |
注D、C、E为挂轮齿数,d为牵伸倍数。
表1—3FA60lA(J)型转杯纺纱
A/B |
纺杯 |
30095r/min |
35036r/min |
40242r/min |
45136r/min |
50214r/min |
纺纱速度 (m/min) |
||||||
T F |
捻/m |
捻/英寸 |
捻/m |
捻/英寸 |
捻/m |
捻/英寸 |
捻/m |
捻/英寸 |
捻/m |
捻/英寸 |
|
||
72/40 |
30 |
257.67 |
6.55 |
300 |
7.62 |
344.67 |
8.75 |
386.67 |
9.82 |
430.00 |
10.92 |
116.76 |
|
31 |
266.26 |
6.77 |
310 |
7.87 |
356.16 |
9 相关信息
推荐企业 推荐企业
推荐企业 | |||||||