转杯、分梳辊状态对转杯纱质量的影响
师晓姣万乐鸣
(洛阳白马集团有限责任公司)
摘要:汇总收集了M1/1型转杯纺纱机连续六年纺制c58.3tex纱的质量指标变化情况,指出影响成纱质量的主要是纺纱器;重点研究了转杯、分梳辊状态对转杯纱质量的影响,测试了不同状态转杯、分梳辊的纺纱质量指标,对试验结果进行了理论分析,并指出关键器材日常管理中应注意的事项。
关键词:转杯纺纱机;纺纱器;转杯;分梳辊;纱线质量;影响
转杯纺纱的迅速发展,改变了纺纱工业的设备结构与产品结构,转杯纺纱正逐步成为与传统环锭纺纱并驾齐驱的新兴的纺纱系统,随着转杯纺纱技术的不断发展,人们对转杯纺纱的关键零部件的重视程度愈来愈高,特别是转杯、分梳辊对转杯纱质量影响较大,其状态的好坏直接影响到转杯纱的质量。因此,本文就转杯、分梳辊的的状态对成纱质量的影响进行探讨,从中了解其对成纱质量的影响程度,以便于提前或定期做好转杯、分梳辊的预防检修工作,消除质量隐患。
1数据收集调查
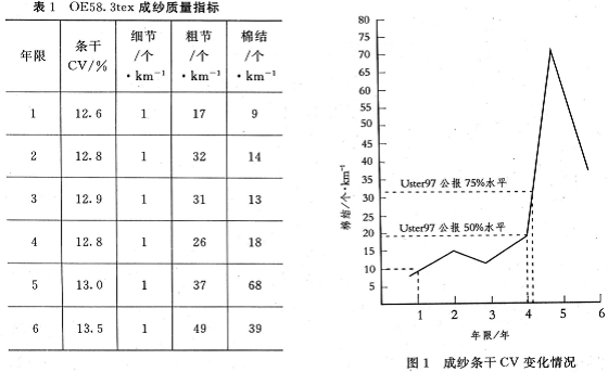
我们对瑞士M1/1型转杯纺纱机自安装正常以来的成纱实物质量数据进行收集,连续六年时间,品种OE58.3tex,该品种在这期间的配棉品级相差0.1~O.2,其他条件基本相同。其数据收集情况见表1,表中数据均为该品种在一年中的年平均数据。
根据表1,我们作成纱条干CV、千米粗节和千米棉结随运行时间变化的波动图,如图1、图2和图3所示。
由图1、图2、图3可以看出:
(1)成纱条干CV、千米粗节和千米棉结随年限的变化波动趋势基本一致,在其他条件基本相同的前提下,保证成纱质量相对稳定的期限为四年,超过四年,成纱质量开始有不同程度的下降,超过五年,成纱质量急剧恶化。
(2)OE58.3tex转杯纱的条干CV和千米粗节,在现有设备条件下使用五年,其
(3)成纱千米棉结,在纺纱器运行四年之内,其质量水平在usTER97公报50%~60%内波动,三年内成纱质量较稳定,之后棉结开始上升。
根据以上分析可知:转杯纺纱的纺纱质量随着纺纱机运转时间的加长,其质量水平开始下降,而影响转杯纺纱机纺纱质量的主要部件是纺纱器,而转杯和分梳辊又是组成纺纱器的关键零部件。因此,研究和探讨分梳辊状态对成纱质量的影响,成了我们下一步的主攻方向。
2对转杯、分梳辊的进一步探讨
我们都知道。转杯、分梳辊是纺纱器的两个主要高速回转件,经过长期的高速运行,其轴承极易磨损,转杯内表面凝棉槽易发毛磨损,分梳辊针面锋利度下降,针面掉针、弯针的现象时有发生,直接影响了纤维须条的正常运动,针对这些问题,我们作了大量的转杯、分梳辊的对比试验,如表2所示。试验条件除了表2中列出的以外,其他条件完全相同。
由表2可以看出:
(1)在其他条件完全相同的条件下,仅转杯轴承震动一项,对成纱实物质量影响较大,其条干CV上升0.5个百分点,千米粗节上升114%,千米棉结上升25%。
(2)在方案2的基础上,再加上分梳辊轴承震动,其成纱条干CV上升O.8个百分点,千米粗节在2的基础上上升13%,千米棉结上升37%。
(3)转杯轴承震动,分梳辊轴承不震动,而仅仅是针面断针一排,其成纱质量的波动比分梳辊轴承震动影响为小。
(4)在其他条件相同的前提下,转杯内表面轻微发毛,对成纱的千米粗节有影响,但是影响幅度不是很大。
3理论分析
由以上的调查分析、试验对比可知,转杯、分梳辊状态对成纱质量影响较大,其主要原因如下。
(1)转杯轴承磨损。转杯是转杯纺纱机的高速回转件,实际运转速度高达5万r/min,随着运转时间的延长,其轴承开始磨损、松动,破坏转杯的动平衡,使转杯在
(2)转杯、凝棉槽磨损变形,使转杯和纤维之间的摩擦因数增加,弯钩纤维增加,使转杯内凝聚纤维束的形态变得不规则,使捻度传递剥离成纱过程的机理受到破坏,恶化成纱质量。
(3)转杯内表面磨损发毛,与材质的表面处理密切相关,如表面处理硬度不够,经受不了纤维中杂质的冲击,引起转杯内表面发毛,影响纤维的顺利转移。
(4)分梳辊长时间带负荷高速运转,使分梳辊轴承磨损晃动,造成回转过程中的分梳辊在一个圆周内抓取的纤维量不均匀,使成纱条干、千米粗节和千米棉结恶化,产生大量的粗节和竹节。
(5)分梳辊针面在运行过程中,对纤维束起到分梳和排杂作用,在运行中遇到硬杂、大杂或长期磨损,使针面锋利度下降,有时出现断针、弯针和掉针现象,影响对纤维的梳理,形成挂纤、绕纤,使成纱中的长短粗节增加。
4结论由以上分析可知,转杯、分梳辊状态如何,直接影响到转杯纱的质量。因此,我们在日常管理中做好以下工作是必须的:
(1)定期对转杯、分梳辊轴承进行检查,凡是在人工低速回转时已能感觉到震动的,要立即更换。
(2)定期或不定期对转杯内表面进行巡回检查,发现转杯内表面镀层脱落而且发毛,或者凝聚槽在太阳光下出现鱼鳞状的痕迹时,要更换或者对转杯内表面重新作镀层处理。
(3)定期对分梳辊针面进行检查,出现断针、弯针、掉针的尽量不要用在对成纱质量要求较高的车位上。
(4)加强对前工序半制品含杂率的控制,减少棉条内硬杂的出现。
(5)加强平揩车内部管理,平揩车时对纺纱零部件做到轻拿轻放,杜绝人为损坏。
5附加说明
以上我们针对瑞士M1/1型进口转杯纺纱机的主要机配件进行的分析和探讨。在实际工作中,我们会遇到很多不同厂家的转杯和分梳辊,由于其材质、加工工艺和
参考文献
[1]张百祥,周慈念,梁金茹编著.转杯纺纱.北京:纺织工业出版社.
[2]第九次全国新型纺纱学会论文资料集.
相关信息 







推荐企业
推荐企业
推荐企业