纺机网技术中心

您所在的位置:纺机网>>纺织工业技术中心>>纺织学院技术列表
纺织学院技术列表

我国转杯纺纱发展与应用中值得注意的几个问题

我国转杯纺纱发展与应用中值得注意的几个问题 周慈念 (东华大学) 摘要:介绍了国外转杯纺纱的发展现状和发展趋势;深入剖析了国际上先进的转杯纺纱机的技术水平;阐述了我国转杯纺纱的发展

新型纺纱技术与设备的发展

新型纺纱技术与设备的发展 郁崇文 (东华大学纺织学院) 摘要:对目前的新型纺纱方法及其设备、产品的发展现状与趋势进行评述,并对赛络纺、集聚纺等新技术作了介绍。提

中频转杯纺纱机纺制亚麻混纺纱的工艺实践

中频转杯纺纱机纺制亚麻混纺纱的工艺实践 杨立辉 (川江机械制造有限公司) 摘要:利用中频转杯纺纱机开发生产了亚麻精梳落麻与粘胶纤维的混纺纱。介绍亚麻纤维的物理指标及特殊性能,亚麻纤

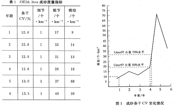
转杯、分梳辊状态对转杯纱质量的影响

转杯、分梳辊状态对转杯纱质量的影响 师晓姣万乐鸣 (洛阳白马集团有限责任公司) 摘要:汇总收集了M1/1型转杯纺纱机连续六年纺制c58.3tex纱的质量指标变化

转杯纺半自动接头研究

转杯纺半自动接头研究 汪军龚以炜梁金茹 (东华大学纺织学院) 摘要:通过对转杯纺接头过程的研究,指出了半自动接头的关键技术所在,并从理论和实验两方面对接头强力、接头质量、接头成功率

转杯纺纱机纺制C29.5tex针织纱的实践

转杯纺纱机纺制C29.5tex针织纱的实践 张伟耿建波 (临沂新光纺织有限公司) 摘要:介绍了利用BT903型转杯纺纱机纺制c29.5tex低捻针织用纱的工艺流

转杯纺纱机使用实践与体会

转杯纺纱机使用实践与体会 李广军刘红于传文黄伟赵方丽 (山东岱银纺织服装集团) 摘要:介绍了FA621B型、BT902型和AutOCOr0288型机转杯纺纱机的规格,适纺号数范围;

转杯纺自由纱段曲线形状对剥离点附近捻度水平的影响

转杯纺自由纱段曲线形状对剥离点附近捻度水平的影响 巴塔黄秀宝 (东华大学纺织学院) 摘要:通过对自由纱段的运动及受力分析,对自由纱段形态以及纺纱工艺参数对自由纱

转杯纱单强CV值影响因素分析

转杯纱单强CV值影响因素分析 熊伟李荣张治 (新疆尉犁棉麻纺织厂)(新疆罗布淖尔纺织集团)(新疆大学) 摘要:分析了不同用途转杯纱的单强cV值指标;原料配比、纱号与单纱cV值的关系

转杯竹节纱竹节长度与粗度的探讨

转杯竹节纱竹节长度与粗度的探讨 王勤泰 (上海新型纺纱技术开发中心) 摘要:从转杯纺成纱机理出发,通过对转杯竹节纱形成过程中纺杯凝聚槽内纤维增量的变化分析,探讨

环锭纺纱系统简评

1环锭纺纱系统简评 有人说,紧密纺是一种新型纺纱方法,这似乎并不准确。严格地说,紧密纺纱技术不像气流纺、摩擦纺那样是一种新的纺纱方法,而是一种嫁接在传统环锭纺纱系统上的新的环锭纺纱方法,是传统环锭纺的革新,但非R

紧密纺技术的创新点

紧密纺技术的创新点 1.2.1紧密纺技术概况 紧密纺被称为"21世纪的环锭纺纱新技术”,是近年来环锭纺纱技术的一个研发热点。但国际上紧密纺技术的研发早在约20年前就开始了。1988年,

紧密纺的命名

紧密纺的命名 近年国内对紧密纺技术的研究十分注重。各纺机企业、相关大中专院校、科研院所和纺织生产企业都对紧密纺技术表现出极大的热情,投入了大量人力、物力,并取得了许多重要成果。此间,国内出现了大量相关文献资料,但各自对
关于纺织机械 | 网络推广 | 栏目导航 | 客户案例 | 影视服务 | 纺机E周刊 | 广告之窗 | 网站地图 | 友情链接 | 本站声明 |

服务热线:027-8787 4011  服务传真:027-8725 5755

24小时客服:180 8600 9449 189 7135 6279  QQ:3352234307 3186169641

邮 箱:ttmn@ttmn.com 版 权:Copyright © 2017 纺织机械 WWW.TTMN.COM

工博网 经营许可 武汉网监局 不良信息举报中心