纺机网技术中心

您所在的位置:纺机网>>纺织工业技术中心>>纺织学院技术列表
纺织学院技术列表

刺辊部分的气流与除杂作用

刺辊部分的气流与除杂作用 (一)刺辊部分的气流 1、气流附面层的概念 刺辊转动时,带动周围一定层度的气流层流动,随刺运动的气流层称为附面层。其厚度一般为:13-16mm。附面层中的速度分布是:靠近刺辊表面

刺辊对棉层的梳理过程

刺辊对棉层的梳理过程 1、梳理方式:给棉罗拉与给棉板握持棉层尾端,刺辊梳理头端。 2、梳理过程:可分为三个结段 (1)梳开阶段:棉束尾端被牢固握持,头端被刺辊高速梳理—

刺辊与锡林间纤维的转移

刺辊与锡林间纤维的转移 刺辊表面的纤维经过预分梳后,在刺辊与锡林的隔距点处完成向锡林针面的转移,为了使纤维能顺利转移给锡林,刺辊与锡林针面间剥取配置,剥取作用的完全与否与下列因素有关: 1.锡林与刺辊的速比 

改善锡林一盖板问的梳理作用

改善锡林一盖板问的梳理作用 1.1锡林——盖板区的梳理过程【一】 在梳理过程中,纤维在针齿上有两种运动,即一为沿半径方向(工作面)的上下运动,另一为沿切线方向的侧滑

给棉刺辊部分的分梳作用

给棉刺辊部分的分梳作用 (一)分梳过程   给棉刺辊部分的分梳可分为两部分,一是握持分梳,二是自由分梳。 ⒈握持分梳 握持分梳时,棉层被有效握持,经给棉钳口缓慢地喂进刺辊锯

给棉刺辊部分新技术

给棉刺辊部分新技术 提高分梳效果,减轻各梳理区的表面负荷,使梳棉机高产优质方面取得突破性发展的主要措施之一。但过多提高分梳部件的速度,会造成机器振动,能耗增加,对纤维的损伤增加,因此,在高产

棉刺辊部分机构

棉刺辊部分机构       给棉刺辊部分由棉卷罗拉、给棉板、给棉罗拉、分梳板、刺辊等机件级成,如图3-2-1所示。该部分的主要作用是握持、喂给、分梳和除杂。

梳 棉 机

梳棉机 一.简介 梳棉机属于纺织机械,按照纺纱工艺流程,梳棉是一道重要的工序。梳棉机的前道工序是开清棉联合机,后道工序是并条机(普梳工艺流程)或条卷机(精梳工艺流程)。 二.工作原理

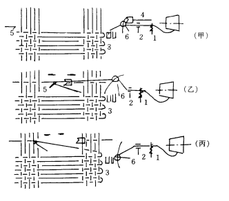
剪刀、定中心器和制梭机构

剪刀、定中心器和制梭机构 一、剪刀与定中心器 在引纬侧靠近布边处,装有剪刀5和定中心器2,如图8—16所示。剪刀剪断纬纱之前,定中心器的凹槽把纬纱1向织机前方推送,使纬纱处于递纬器3的钳口,以便递

剑杆织机分类

剑杆织机分类 剑杆引纬的型式最多,可按以下几个特征分类。 (一)剑杆的配置 剑杆的配置有单剑杆引纬和双剑杆引纬之分。单剑杆引纬仅在织机的一侧安装比布幅宽的长剑杆及其传剑机构,由它将纬纱

扭轴工作循环

扭轴工作循环 投梭扭轴在织机主轴的一次回转过程中,其工作过程可分为4个阶段。 1.储能阶段投梭摆杆逐渐摆向死点位置,投梭扭轴逐渐扭紧,储存投梭所需要的弹性势能,这一阶段约占主轴回转的300°时间,因

扭轴投梭过程

扭轴投梭过程 片梭引纬的动力来自扭轴扭转的回复,因此,击梭后片梭的初始速度与织机车速无关,只取决于扭轴的变形能量,与扭轴的直径和扭转角度有关。 扭轴投梭过程: 扭轴投梭机构如图8

片梭纺机简介

片梭纺机简介   用片状夹纬器(或称片梭)将纬纱引入梭口的织机。片梭织机的引纬速度高,对织物品种的适应性强,可织制阔幅织物,机器噪声较低。片梭织机有PU和PS两种系列,工作宽度为2
关于纺织机械 | 网络推广 | 栏目导航 | 客户案例 | 影视服务 | 纺机E周刊 | 广告之窗 | 网站地图 | 友情链接 | 本站声明 |

服务热线:027-8787 4011  服务传真:027-8725 5755

24小时客服:180 8600 9449 189 7135 6279  QQ:3352234307 3186169641

邮 箱:ttmn@ttmn.com 版 权:Copyright © 2017 纺织机械 WWW.TTMN.COM

工博网 经营许可 武汉网监局 不良信息举报中心